top of page

TUERCA CON ARANDELA
.png)
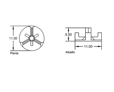
La Tuercas Arandela son utilizadas para asegurar las varillas en sistemas o aplicaciones de encofrado. Son un típico componente en el sistema de sujeción en barras.
Piezas en acabado galvanizado.
bottom of page
google-site-verification=e6vBlbIJl6hyXkT3rg7J90Ke7dhsqiNM4yizMEhtUh8

.png)
La Tuercas Arandela son utilizadas para asegurar las varillas en sistemas o aplicaciones de encofrado. Son un típico componente en el sistema de sujeción en barras.
Piezas en acabado galvanizado.